赣州51龙凤茶楼论坛一品楼品楼论坛 ,全国聚凤阁信息论坛万花楼,东莞桑拿0757sn论坛,昆明耍耍网桑拿论坛

音视频系统解决方案
大型体育场馆音响系统解决方案

大型体育场馆音响系统解决方案

大型体育场馆音响系统解决方案,全民运动体育场主要用于承办外大型体育活动项目的主要场所,并具有多种商业开发功能。针对场地不同的功能需求,以满足场馆的扩声要求为主;文艺演出也可以适用本系统作辅助设施以满足扩声的需要。场地扩声扬声器布置合理,不会影响体育场其他适用功能;

全国咨询热线
400-003-8066

在线咨询

大型体育场馆音响系统解决方案系统概述

  全民运动体育场主要用于承办外大型体育活动项目的主要场所,并具有多种商业开发功能。针对场地不同的功能需求,以满足场馆的扩声要求为主;文艺演出也可以适用本系统作辅助设施以满足扩声的需要。场地扩声扬声器布置合理,不会影响体育场其他适用功能;在主席台、比赛场地、检录处、各门入口等处设置传声器插接盒提供足够的话筒点,以满足各种比赛的需要。为满足电视台、电台实况转播的需要,预留符合要求的转播音频接口。由扩声机房向场内、观众走廊、场外发布通知;遇紧急情况,消防控制室在扩声设备开机的情况下,可优先选择所有区域发布紧急通知,体育场扩声区域较大,不宜采用集中扩声方式,本设计使用分散式扩声器布局形式。

十三届运动会开幕式-大型体育场馆音响系统解决方案

大型体育场馆音响系统解决方案-扩声系统的布局

  根据全民运动体育场的实际情况和建筑承重安全需要,观众席东西面各采用16组,每组8只扬声器,均匀分布吊装于挑篷前端。其中6只全频扬声器,2只次低音扬声器,分别投向后场和前场,保证东西面观众席声场的均匀覆盖。观众席南北侧各采用8组每组5只扬声器,均匀分布吊装于挑篷前端下方。其中4只全频扬声器,1只次低音扬声南北侧观众区较少的看台。比赛场地音箱采用东西俩侧布点方式,选用8组,每组8只音箱,其中6只全频扬声器,2只次低音扬声器。场内扬声器系统 安装在马道上,以这种分布的方式可以使整个比赛场声场覆盖均匀。

大型体育场馆音响系统解决方案

大型体育场馆音响系统解决方案-设计理念

  针对体育场扩声区域范围大的特点,采用分布式扩声方式;整个设计采用业内成熟和的技术,保证设备的性以及可扩展性。同时在功能上确保设计、可靠、实用,在使用上实现系统稳定、安全、操控方便。

大型体育场馆音响系统解决方案-建设理念

  赛场部分:让赛事、演出的效果更加生动传神,气氛渲染热烈。高科技产品运行稳定,操控简便。

  服务体系:场馆是观众数量巨大的聚集性区域,新科技的投入要让观众从到达场馆到走出场馆充分接受到明确、、安全、人性化的各种服务。场馆服务观众和运动及演职员的同时,还要提供相关的新闻、商务等方面的服务,在这些方面新科技更有用武之地。

  环境管理:科技化的手段不断提升场馆环境的优雅和信息传送的人性化。

  系统管理:体育场馆的控制是场馆运营的心脏,高科技的视听系统将整个场馆变成了一个透明的建筑,各种集成化的手段让核心控制管理人员掌控全局、有条不紊。

大型体育场馆音响系统解决方案

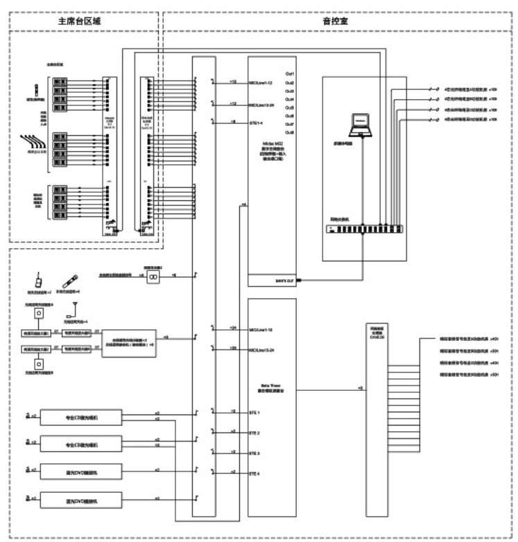
大型体育场馆音响系统解决方案连接图

大型体育场馆音响系统解决方案

大型体育场馆音响系统解决方案布置图平面图

大型体育场馆音响系统解决方案-规划方向

  充分将数字技术融入场馆软硬件建设,将赛事信息管理、视听环境管理、场馆空间导引等场馆的管理智慧化。

  新一代的技术在传统技术的基础上有了很大的进步,大型显示系统、震撼的数字音频使场馆的核心功能——体育赛事展现出加倍激烈的效果。

  演出是场馆的另一大核心功能,大型显示系统 、震撼的数字音频、魔幻的舞台功能为超大型文艺演出、演唱会带来了无以复加的震撼感。

  5G技术、云服务,大数据,物联网等高科技的普及,推进了场馆新科技的应用,系统设备及功能扩展、系统间的联动搭配,将带来不一样的科技化体验。

大型体育场馆音响系统解决方案-功率放大器

功率放大器 的功率的配比遵循扬声器生产厂家对扬声器配置的要求,以及满足技术需求的其它电声指标。

  扩声系统的无源音箱与功放的功率匹配满足功率放大器的标称输出功率(RMS)对应的音箱标称功率(RMS)2倍的需求。

  功率放大器采用开关电源D类放大技术,为使用安全,功放经过3C强制性认证。两通道数字功率放大器采用了混合音频调制放大技术加大功率,全谐振开关电源技术,设计出一系列高性能大功率功率放大器。既保持线性调制低失真、高阻尼系数、音色好,同时兼具开关模式调制率的优点;而又保持了很好的音色,将实际使用效率提高到接近90%,大幅度的降低了系统发热功能,并秉承了一贯强劲的驱动能力和长期高负荷稳定使用的特性。

  为了便于对各个区域声场的灵活控制,采用线路标记使负责各个功能区的功率放大器与对应的扬声器组通路清晰、操作方便。

大型体育场馆音响系统解决方案-动态音频服务器

  处理设备我们采用全新技术平台动态音频服务器, 全新系列采用了Table LINK数字网络传输,采样率192KHz,通道数达256,更小包时25us。

  高品质的前置放大电路,DSP处理总线结构,可以为用户提供的声音品质,融入了多媒体信息交互式系统(Table LINK)的设计概念,多台设备可以通过Table LINK网络进行互联和控制;

  兼容:Dante/Livewire+/Ravenna/Q-SYS/AES67,预留扩展兼容AES70 。

大型体育场馆音响系统解决方案-数字调音台

  调音台作为扩声系统控制和处理的核心,其性能参数指标、系统的可靠性、操作的方便性都是对比赛和演出成功进行的保证。

  从产品操作的便利性、直观性、运行的可靠性、对声音的处理质量以及人体工程学等角度出发,本方案中配置了一套数字调音台系统作为主系统。数字调音台系统主要由控制台和混音机架两部分构成,另配置一套模拟调音系统作为备份系统,模拟调音台具备32路话筒/线路输入,8编组,10辅助,12*4矩阵。

  结合扩声系统方案的信号分配功能,模拟线路选用了数字音频处理器来作信号处理。这一信号处理系统都内置了几乎所有的传统信号处理器的功能(均衡、压限、分频、动态处理、噪声门、路由矩阵等),满足庞大系统对矩阵通道数的要求。而且面对不同应用环境,可以事先将各种调试结果储存,设置好快捷键,使用时只需按一下按键即可完成,方便、快捷、安全。不但节省成本,而且使系统简洁及提高系统可靠性及稳定性。系统可检测每路输出通道的负载情况。

大型体育场馆音响系统解决方案-数模备份

  为了保证清晰度和稳定性,系统采用数字扩声系统(调音台和处理器模拟备份),数字格式采用Table LINK。

  音源信号经线路分配器后一分为二,一路进入数字扩展机架箱,另一路进入模拟备份调音台,系统以数字信号作为主路由,模拟信号作为备份路由。扩展机架箱将数字信号输出到数字功放Table LINK输入接口,机架箱和功放自带的DSP处理器共同完成数字信号的处理。备份模拟调音台模拟输出接到数字音频处理器的模拟输入接口,数字音频处理器将模拟信号输出到数字功放模拟输入口,当数字输入信号断开时,可零时间自动启用模拟信号接入,从而保证数模零时间切换备份。

卓邦资质 / ZOBO QUALIFICATION

卓邦营业执照 高新技术企业证书 中关村高新技术企业

(已获得33项资质认证,包括5项国际认证、4项国家认证、24项行业资格认证书) 查看全部资质

项目实施能力 / PROJECT IMPLEMENTATION CAPACITY

项目技术工程师项目技术工程师

建设工程师建设工程师

工程师工程师

关联案例 RELEVANT CASES

方案概述:
【查看详情】

相关产品RELATED PRODUCTS