赣州51龙凤茶楼论坛一品楼品楼论坛 ,全国聚凤阁信息论坛万花楼,东莞桑拿0757sn论坛,昆明耍耍网桑拿论坛

卓邦案例分析

您所在的位置: 首页 > 资讯频道 > 设计规范 > 会议室 > 会议系统电及音频的性能要求 GB/T 15381-94

会议系统电及音频的性能要求 GB/T 15381-94

来源:ZOBO卓邦 发布日期 2023-05-11 浏览:

  因篇幅有限请到资料下载   下载完整文件。

  还可以了解更多关于会议室解决方案、产品和案例 等信息。

  还可以了解更多关于体育场馆解决方案、产品和案例 等信息。

  还可以了解更多关于剧场剧院解决方案、产品和案例 等信息。

还可以了解更多关于学校教育   解决方案、产品和案例   等信息。


1 主题内容与适用范围

本标准等效采用标准IEC 914《会议系统电及音频的性能要求》。

1.1 主题内容

本标准规定了各种型式有线和无线会议系统的低要求及其音频设备的基本音频性能要求,以保证在正常工作状态下的互换性和性能;还有利于确定和比较不同会议系统的质量,且可由这些系统技术要求中列出的性能决定其合适的用途。

1.2 适用范围

本标准适用于会议系统和组成这个系统的各个部分,或用作该系统的辅助设备(耳机、传声器、放大器等设备)。

2 引用标准

GB 2018 磁带录音机测量方法

GB 2421~2424 电工电子产品基本环境试验规程

GB 3100 单位制及其应用

GB 5465.1 电气设备用图形符号绘制原则

GB 5465.2 电气设备用图形符号

CB 6832 头戴耳机测量方法

GB 7159 电气技术中的文字符号制订通则

GB 8898 电网电源供电的家用和类似一般用途的电子及有关设备的安全要求

GB 9001 声频放大器测量方法

GB 9396 扬声器主要性能测试方法

GB 9401 传声器测量方法

GB/T 14197 声系统设备互连的优选配接值

SJT 10444 电声学名词术语

SJ/Z 9141.2(IEC 574-3) 视听、视频和电视设备与系统 第3部分:视听系统中设备互连用连接器

SJ/Z 9141.3(IEC 574-4) 视听、视频和电视设备与系统 第4部分:系统中设备互连的优选配接值

.

3 术语

3.1 人员 persns

3.1.1 代表 delegate

具有发言和收听设备的与会者。

3.1.2 译音员 interpreter

通过翻译系统将一种口语口译成一种或多种其他语言的人员。

3.1.3 操作人员 operator

操作控制设备和视听设备,调换录音机的磁带、监听送到译音员和代表声音质量的人员。

3.1.4 技术人员 technician

能完成操作人员的职能,还要在判断和修理设备故障方面受过培训的人员。

3.1.5 听众 audience

在会议上不发言,而只有收听设备的人员。

3.2 耳机 earphones

3.2.1 头戴耳机——传声器、头戴送受话器 headset

由传声器(送话器)和头戴耳机(受话器)组成的装置。

3.2.2 耳挂式耳机 ear shell

挂在人耳上的耳机。

3.3 通路 channels

3.3.1 原声通路 floor channel

原声通路是分配发言者(代表、主席、或演讲人)讲话的音频通路。

在会议同声传译系统(CSIS)和语言分配系统设备(LDS)的所有通路选择器上,原声通路用“O”或“OR"(原声)来标志。

当某一通路的语言与原声通路的语言相同时,则该通路也可用来作原声语言分配。

3.3.2 译音语通路 language channel

译音语通路是一种分配指定语言的音频通路。

在会议同声传译系统和语言分配系统设备的所有通路选择器上,用“1、2、3……”来标注译音语通路。

3.3.3 呼叫通路 call channel

呼叫通路是一个从译音员到主席、发言者到操作人员处,或从操作人员到主席或发言者处,传输信息的音频通路。

3.4 系统 systems

3.4.1 自动系统 automatic system

在自动系统中,传声器由代表操作,但在会议同声传译系统中,操作人员可以优先控制。

3.4.2 手动系统 manual system

在手动系统中,传声器由操作人员操作和控制。

3.5 会议室的排列 conference room configurations

3.5.1 圆桌形式 round table configuration

代表们围着一张桌子或一组桌子就座,全体代表都能参与会议。

3.5.2 讲堂讨论形式 seminar configuration

演讲者能在房间前面的一个讲台或桌子前讲话,那里还有一张为主席而设的桌子或操纵台。代表面向讲台就座。

主讲者和在座的主席、委员及代表都能不间断地参与讨论。

3.5.3 演讲形式 lecture configuration

演讲者能在房间前面的一个讲台或桌子前发言,那里还有一张为主席而设的桌子或操纵台听众面向房间前面就座。

发言者和在座的主席或委员能连续地参加讨论,听众能在一定限度内提问和讨论。

3.5.4 记者招待会形式 press conference configuration

一个或几个发言者在房间前面的讲台前发言,与会者面向讲台就座。

发言者能对与会代表发表他的讲话,与会者能在一定限度内提问和讨论。

3.5.5 委员会(代表会)形式 parliament configuration

演讲者能在房间前面的讲台上发言,代表面向讲台就座。

演讲者能对代表发表他的讲话,而代表能在一定限度内提问和讨论。

3.6 典型的会议系统 typical conference systems

——会议传声器系统(CMS)和会议讨论系统(CDS)。

——会议译音系统(CIS)。

——语言分配系统(LDS),

——会议表决系统(CVS)。

3.6.1 概述

通常可用三种不同型式的安装方式。

a. 固定式

在固定式中,设施和电缆的敷设是固定的,系统的单机是组合成整体的。

b. 半固定式

在半固定式中,设施是可移动的或固定的,电缆是固定安装的,系统中的某些设备可固定安装在设施中,或放在桌子上。

c. 移动式

在移动式系统中,所有的设备,包括电缆的敷设都是可插接的和移动的。

3.6.2 传声器系统 microphone systems

3.6.2.1 会议传声器系统 conference microphone system

会议传声器系统是一个集中控制的可供全体代表在会议中使用的单通路声系统(见图1)。在这个系统中传声器的数目通常比代表的数目要少,且常用各种类型的传声器。

1会议系统电及音频的性能要求 GB/T 15381-94

图 1 会议传声器系统

3.6.2.2 会议讨论系统 conference discussion system

会议讨论系统是一个可供代表和主席分散自动或集中手动控制传声器的单通路声系统(见图2)。

在这个系统中,所有参加讨论的人,都能在其座位上方便地使用传声器,通常是分散扩声的,由一些发出低声级的扬声器组成,置于距代表不大于1m处。

也可以使用集中的扩声,同时应为旁听者提供扩声。

2会议系统电及音频的性能要求 GB/T 15381-94

图2 会议讨论系统

在会议传声器系统和会议讨论系统这两个系统中,有些传声器可能同时工作,但这不应使声级明显地下降。这两个系统均应具有供录音(开盘式或盒式)和接入扩声系统的输出。

有供电视新闻媒介的声音分配(MSDC),电话会议和同声传译系统的互连装置也是合理的。

3.6.3 会议同声传译系统 conference simultaneous interpretation system

会议同声传译系统是由传声器系统(CMS/CDS),译音员设备和单通路或多通路语言分配系统(LDS)所组成。

会议同声传译系统有两种类型:

a. 单通路会议同声传译系统 single channel CSIS

在单通路会议同声传译系统中,译音语是经由一个单通路语言分配系统分配给代表的。此时原声可以用扩声系统来分布。因此,多能用两种语言(见图3a)。

任何时候,处于工作状态的代表传声器应限制为一个。

3a会议系统电及音频的性能要求 GB/T 15381-94

图3a 会议同声传译系统——单通路

b. 多通路会议同声传译系统 multi-channel CSIS

在多通路会议同声传译系统中,译音语和原声是通过各自的语言分配系统通路分配给代表的,因此,可以使用两种以上的语言,多语言数则决定于可提供的通路数(见图3b)。

任何时候,处于工作状态的代表传声器应限制为一个。

3b会议系统电及音频的性能要求 GB/T 15381-94

图3b 会议同声传译系统——多通路

3.7 语言分配系统 language distribution system

在单通路会议同声传译系统中,语言分配系统是用来把译音员的译音语言分配给代表的。

在多通路会议同声传译系统中,语言分配系统是用来把发言者的原声和译音语言分配给代表的。

每种译音语需要有自己的语言通路,也可有一个备用通路。

可采用各种语言分配系统,但集中在二个主要类型:

a. 有线;

b. 无线(感应式、无线发射式、红外线式)。

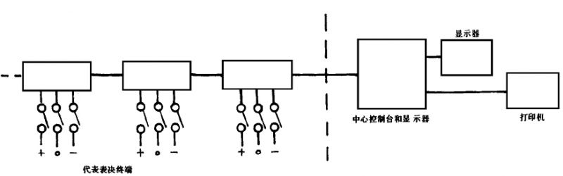
3.8 会议表决系统 conference voting system

会议表决系统是一个与分类表决终端网络连接的控制数据处理系统,每个表决终端至少设有3种可能的选择:同意、反对、弃权(见图4)。

4会议系统电及音频的性能要求 GB/T 15381-94

图4 会议表决系统

控制台可供主席或工作人员来选择和开动表决程序。在表决结束时,后的累计结果将清楚地显示给主席、工作人员和代表。标准的表决程序是:

a. 秘密表决,不能逐个识别表决的结果。

b. 公开表决,能鉴别出每个表决者及其表决结果。

结果的显示是可以选择的,可以选择:

直接显示:在表决进行中,显示各个中间结果,在预先选定的表决时间终止时,显示后的结果。

延时显示:不显示中间结果,只在预先确定的表决时间终止时,显示表决的后结果。

可以预先选定表决的持续时间,可以把时间限定在30s、60s、90s等。或者不予限定(即由主席决定表决的终止)。

推荐的附属设备有:

大型显示器(所有代表都能看见):显示总的表决结果和/或各自的表决结果。

视频显示器:显示累计的表决结果和/或各自的表决结果。

打印机:打印出总的表决结果和/或各个的表决结果、以及全部表决数据的文件。


4 设备的低要求

4.1 概述

4.1.1 指示器的色标

典型会议系统设备上的指示灯或发光二极管,应该使用下列颜色:

红:“亮”时表示传声器“接通”。“不亮”时用来表示传声器“断开”的状态。

红:输出通路已被占用。

绿或黄:表示其他功能。

4.1.2 指示器尺寸和亮度

待定。

4.2 传声器系统(CMS和CDS)

4.2.1 概述

为了有效的参与会议议程,应提供给代表或听众一些传声器。在会议传声器系统(手动控制)中,优先采用下列传声器:

a. 台式(立式)传声器;

b. 落地式(立式)传声器;

c. 指挥台/讲台(立式)传声器;

d. 钮扣/项链(颈上)传声器;

e. 自由伸缩(活动的)传声器;

f. 流动式(手持式)传声器。

在会议分配系统中(自动或手动控制),采用下列传声器:

台式(立式)传声器;

落地式(立式)传声器。

传声器型式可根据会议室的排列形式(见3.5条)来选用。

优先使用表1列出的传声器。

表 1

biao1会议系统电及音频的性能要求 GB/T 15381-94

4.2.2 会议讨论系统台式传声器的功能

4.2.2.1 主席、代表传声器的控制装置;所有的主席和代表的传声器组件上,都需要一个“传声器工作按钮开关”。

若不用“举手”方法,在手动控制系统中的所有代表传声器装置上,需要设有一个“请求”按钮开关。

建议所有的主席台传声器装置都设一个“优先按钮开关”。

4.2.2.2 可以选用综合在传声器装置内的扬声器,以适当的声级,为1~2个代表提供原声通路。

4.2.2.3 所有型式的传声器装置上都需要一个传声器状态指示器,对发言者提示其传声器是接通的。也可以帮助主席,其他代表、译音员和操作人员确定发言者的位置。

4.3 译音员设备

4.3.1 概述

每个译音室内,应为每个译音员提供独自的收听和发言控制器,连同相应的指示器。

控制板/装置应位于监视窗和工作面之间,以求占用小的面积。

该控制板/装置不应阻挡译音员和会议大厅之间的视线和妨碍工作台面。

4.3.2 功能和控制装置

只有在4.3.2.3,4.3.2.4,4.3.2.5,4.3.2.9,4.3.2.10条和第4.5条中的功能和控制装置适用于单通路会议译音系统。

而下述的所有功能和控制装置全都适用于多通路会议译音系统。

4.3.2.1 输入通路选择器

选择器应平滑地动作,不产生机械或电的噪声,操作这些控制装置时,在两个通路间不应出现短路。

4.3.2.2 输入通路预选器

为了保证可靠和及时地把原声通路转接到转译通路,应设置一个钮子开关,在一般情况下它接入原声通路。当扳动开关在转译位置上时,输入通路就置位于通路选择器上。

4.3.2.3 音量控制器

应使用对数式电位器来调整收听电平,使得在整个控制范围内部有听得见的效果。

4.3.2.4 音调控制器

应设置连续可调降低低音电平的控制器,在125Hz的电平与1kHz的比较,至少可压低12dB。

也可以设置连续可调提升高音电平的控制器,8kHz的电平与1kHz的比较,至少可提升12dB。

4.3.2.5 头戴耳机/头戴耳机-传声器的终端设备

每个译音员需要一个头戴耳机/头戴耳机-传声器的连接器插口,对固定设备该插口宜设在工作面的下方、工作台的左面。而对移动式设备则宜设在译音员控制盒上。

输出端应有防短路?;ぁ?

4.3.2.6 监听扬声器(移动系统任选)

监听扬声器的功能是在译音室“暂停译音”时允许译音员暂时摘下其头戴耳机-传声器,继续跟踪会议的进程。

监听扬声器应重放原声通路的声音,当同一译音室的任一个传声器工作时,该扬声器应立即无声;它需有自己的音量控制器。

4.3.2.7 输出通路选择器

a. 多通路会议译音系统正常工作时,每个译音室各分配一种语言。也就是每个译音室各工作在一个输出通路上。

然而,常常需要同一个译音室工作在两个或更多个输出通路上。在这种情况下,可以经这些输出通路把两种或更多种语言交替的送出。因此,控制台少应有选择两个输出通路的装置。

为此目的,可采用下列两个系统:

(1)AB选择

可选择两个通路中的任一个(A或B)。

在译音员控制盒上选择输出通路,该译音室的译音员就实现从A转换到B,或者从B转换到A。

可以有两种预选A和B通路的方法:

在译音员控制盒上,或在操作人员的控制台上。

(2)多通路选择

可以选择任一通路;

由译音员在译音员控制盒上直接选择输出通路。

b. 占用通路的指示

当几个译音室共同操作在一个给定的输出通路时(例如从法语和德语译音室都译成英语),需要有一光学的指示,以指示该通路已被占用。当某一译音员的传声器工作在此通路上,该指示就应显示在接入该通路的所有译音员控制盒面板上。

当该通路空出时(即没有传声器在通路上工作)这个指示(通常是一个发光二极管)就应立即消失。

为了满足这个功能,该指示器不得在选择该输出通路时、而应在传声器接通时点亮。

c. 互锁

如果设置两个或更多的通路,要有互锁性能,以防止重复占用某一给定的通路。

d. 语种符号

语种的符号应紧靠通路的选择键。

4.3.2.8 主席、演讲者、操作人员的呼叫通路(移动设备可任选)

在会议过程中发生故障时(例如代表不用传声器就开始发言或其他紧急情况),译音员应能通过接有监听扬声器的专用线路,小心地通知主席和/或演讲人。

不论传声器开关处于何种状态,应有一个专用的按键使该呼叫线路工作。

这种指示也可送给操作人员。

4.3.2.9 传声器接通键

传声器通/断开关控制传声器接入输出通路。如果把接入一个通路的所有译音员传声器都断开,则原声就自动地接入该通路。

供两位译音员使用的控制台上,传声器控制器可以组合在一个开关上。

4.3.2.10 暂停键

一个自复位键应能切断译音员的传声器信号,而不接回到原声通路(见4.3.2.9条),但必须熄灭传声器状态指示器。

4.3.2.11 传声器状态指示器

每一个传声器点应设置一个信号灯或发光二极管,以指示传声器的“接通”状态。

4.3.3 译音员控制台/控制板

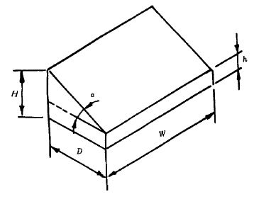
4.3.3.1 自立式控制台(见图5)

5会议系统电及音频的性能要求 GB/T 15381-94

图5 自立式控制台

控制台宽W:<250mm;

或:<400mm为双译音员控制台。

控制台深D:<2l0mm。

控制台高H:<150mm。

面板倾斜角a:10°

前高h:10mm

4.3.3.2 固定嵌入式面板(见图6)

6会议系统电及音频的性能要求 GB/T 15381-94

图6 固定嵌入式面板

面板宽W:<300mm;

或:<400mm装有扬声器;

或:<600mm为双译音员用面板。

面板深D:<210mm。

面板倾斜角a:0°~15°。

装入深度d1:<130mm;

d2:<40mm。

4.3.4 译音员设备的说明

4.3.4.1 收听(输入)部分(供每个译音员)

a. 通路选择器(4.3.2.1条);

b. 通路预选器(4.3.2.2条);

c. 音量控制器(4.3.2.3条);

d. 音调控制器(4.3.2.4条);

e. 头戴耳机/头戴耳机-传声器的连接器(4.3.2.5条);

f. 监听扬声器(4.3.2.6条)。

(每个译音室至少一个,移动式系统则任选)。

4.3.4.2 头戴耳机/头戴耳机-传声器

a. 每付头戴耳机由两个耳挂式耳机组成。(插入耳内的听诊式或耳罩式耳机不适用)。

b. 重量:每付头戴耳机重150g;每付头戴耳机-传声器重250g(塞绳重量除外)。

c. 带1.5m长的软电缆,终端连接无锁的插头(头戴耳机)。

d. 头环压力:2.5N(建议头环要可调)。

4.3.4.3 发言(输出)部分

a. 输出通路选择器(4.3.2.7条);

b. 传声器接通键(4.3.2.9条);

c. 暂停键(4.3.2.10条);

d. 传声器状态指示器(4.3.2.11条)。

4.3.4.4 传声器

a. 每个译音员配置一个单指向传声器,或者在移动式设备中,3个译音员配置2个单指向传声器。

b. 带1.5m长的软电缆。

c. 能有效地隔离机械振动。

d. 头戴耳机-传声器(任选)。

每个译音员有一个头戴耳机-传声器(以代替头戴耳机和传声器)。

4.3.4.5 其他设备

a. 主席、演讲人、操作人员的呼叫通路(移动设备任选)。(4.3.2.8条)。

b. 通讯员呼叫键(任选)。

4.4 代表的收听设备(语言分配系统中的设备)

4.4.1 收听器

收听器有二种型式:有线的和无线的。虽然可用各种的传送技术,但通常只有下列性能和元器件是认可的。

4.4.1.1 有线收听器

a. 收听器放在或装在会议桌/椅子上成一整体。

b. 控制器的布置应符合人机工程学的要求。

c. 音量控制器。

d. 通路选择器(单通路不适用)。

e. 原声通路监听扬声器(任选)。

4.4.1.2 无线收听器(接收机)

a. 放在桌子上或便携式。

b. 控制器的布置应符合人机工程学要求。

c. 音量控制器。

d. 通路选择器(单通路不适用)。

e. 重量:200g。

f. 一次充电或电池的小工作寿命,15h。

4.4.2 头戴耳机

代表的耳机应考虑下列要求:

a. 代表感觉舒适:

声学上:声音重放的质量和环境噪声的隔离;

物理上:重量和可靠性;

卫生;

配接:电声换能器在电气和机械上应与系统配接。

b. 电缆长度应大于80cm。

注:可供使用的头戴耳机的型式,例如:头戴耳机、插入式耳机、贴耳式耳机、耳罩式耳机、耳挂式耳机、听诊式耳机等。

4.5 技术人员的设备

4.5.1 技术人员设备的综述

技术人员室内应有:

按照4.5.3条的控制设备和/或设备立柜;

按照4.3.4.5条向主席呼叫通路用的传声器;

按照4.3.4.2条的头戴耳机或头戴耳机-传声器;

录音设备;

视听设备;

扩声设备。

4.5.2 技术人员室

如设置技术人员室,应做一个推拉式的前窗。

无论它有无固定设备,应至少有一间技术人员室。就其他情况而论(半固定的或移动的译音室,不论有无固定设备),也建议有一间固定的技术人员室;如无可能,则房间的面积应足够供人员和设备用。

4.5.3 控制设备

控制设备能使技术人员按会议程序及主席的指令监听和控制会议室内所有的传声器和译音系统的功能。

由译音员到技术人员和从技术人员到主席、演讲人都可以有呼叫通路。

4.5.4 传声器工作方式

可采用下列传声器工作方式:

a. 代表或技术人员能用传声器座上的按钮或用控制设备(一个双控系统)开启传声器;

b. 代表有一个“请求发言”按钮,发信号给技术人员,但后者拥有是否开启传声器的权利;

c. 只有技术人员能够控制传声器;

d. 自动排队和按顺序接通的系统;

e. 主席的传声器能优先或不优先工作。

4.5.5 状态监视

在控制设备上可以监视下列功能:

a. 各个请求和已开启的代表传声器;

b. 是译音室还是原声通路接入语言通路。

4.5.6 音频监听和监视

a. 用头戴耳机。此外,如果需要的话,可加用所有通路的扬声器;

b. 用节目电平指示器(对自动控制系统为任选),连续指示原声通路的电平,也能指示每一译音通路的电平。

4.5.7 音量控制

每个通路的音量应能分别控制(自动音量控制的系统除外)。

4.5.8 辅助装置

a. 对附加信号源可提供辅助输入装置,例如,附加的传声器系统、磁带录音机、电影或电视的声音通路。

b. 辅助输出装置可把原声通路接到扩音系统,把一个或多个通路接到广播设备,把所有通路接到录音通路等。

.

5 音频设备的电性能要求

5.1 一般要求

5.1.1 测量方法

声系统设备的测量,如头戴耳机、头戴耳机-传声器、扬声器、放大器等,应按照声系统设备中有关部分所述的测量方法进行,如GB 6832、CB 9401、GB 9396、CB 9001等;磁带录音机的测量则按GB 2018。

5.1.2 单位

本标准采用GB 3100所规定的单位制(SI制)。

5.1.3 标记及其符号

5.1.3.1 标记

端子和控制装置应适当标记以鉴别其功能特性和极性。

标记应能校对控制装置,并按用户说明书中给出的资料以足够的准确性识别控制装置的位置。

5.1.3.2 标记的符号

标记由易懂的文字符号、记号、数字和颜色组成。并符合GB 7159和GB 5465.1~5465.2的要求。

不包含在上述标准中的标记,必须在用户说明书中说明。

5.1.4 人身安全和防止火灾蔓延

设备的人身安全和防火灾蔓延应符合GB 8898标准。

为了防止使用者暴露在高声级中,系统中须有限制声级的措施,其声压级不应超过105dB(以20μPa为基准)。

5.1.5 测量的环境条件

在下列温度、湿度以及气压极限范围内的任一组合的条件下来进行测量和机械方面的检验:

环境温度:15~35℃;

相对湿度:45%~75%;

气压:86~106kPa。

以上是设备必须符合的环境条件。超过这个范围设备可以工作,但不要求符合其全部特性,并可允许在更为极端的条件下贮存设备。

如制造厂认为需要,也可规定与上述不同的环境条件,但这些条件须从标准GB 2421~2424中选取,测试应在这些规定的条件下进行。

5.1.6 干扰

5.1.6.1 无线电干扰

a. 对电磁场的抗扰度

会议系统可能受到无线电干扰,判断系统有无抗无线电干扰的适当?;つ芰?,其方法如下:系统处于电磁场强度为1V/m的干扰下,在30~50kHz之间的任一载频上,一个1kHz调制频率、调幅度为30%的调幅波、并以额定输入电平为参考电平的信号与干扰电平之比应大于40dB。

b. 会议系统引起的干扰

会议系统可能是一个无线干扰源。因此,会议系统应服从法令的要求。

5.1.6.2 对磁场的抗扰度

判断系统有无抗磁场干扰的适当的?;つ芰?,其方法如下:以一个频率在50Hz时为1A/m,频率在150Hz时为0.2A/m,频率在250Hz~20kHz之间为0.1A/m磁场强度的外部干扰源,所产生的A计权噪声电平,至少应低于额定输入电平40dB。此要求不适用于会议系统中使用感应线路输入的头戴耳机。

5.1.6.3 对光的抗干扰度

用光作为讯号载体的系统,应能在日光或钨丝灯光1klx的照射下,满意地工作。若必须使用红外传输系统,应避免采用高频激励的照明系统。

5.1.7 会议室的要求

会议室的声学要求,应有助于语言的传输。在通风和照明这些固定设备工作时,其空场环境噪声应不超过40dB(A计权)声压级?;嵋槭业囊胍羰业募际跻蠹锻胧业囊话闾匦院蜕璞浮?。

注:《同声传译室的一般特性和设备》广播电影电视部设计院译自ISO 2603(1983)。

5.1.8 互连用的连接器

系统互连用的连接器见SJ/Z 9141.2(IEC 574-3)。

5.1.9 电配接值

电配接值应按GB/T 14197标准和SJ/Z 9141.3(IEC 574-4)。

5.1.10 规定的特性

用户在购置系统前应可使用本标准表4~11中所列出的特性。正如与本标准有关的某些国标所规定,会议系统各设备的特性分类,应按GB 9001,GB 9401,GB 6832的规定。


5.2 音频性能要求

5.2.1 概述

本条规定了会议系统应满足的音频性能要求,并规定作为分立装置的传声器、头戴耳机、传输链路(见图7和表2)以及与一般传输链路组合的传声器(见图7和表3)的特性。这里所指的传输链路是包括链路输入到输出之间的所有设备(放大器、控制器和长有100m任何规格电缆的链路)。

7会议系统电及音频的性能要求 GB/T 15381-94

(双三角表示多通路链路)

图7 音频系统的示意图

表2 分立装置

biao2会议系统电及音频的性能要求 GB/T 15381-94

biao2续会议系统电及音频的性能要求 GB/T 15381-94

表3 组合装置

biao3会议系统电及音频的性能要求 GB/T 15381-94

5.2.2 传声器(见表2中的a和b项)

性能要求和测量方法见表4,示意图见图8。

8会议系统电及音频的性能要求 GB/T 15381-94

图 8

表 4


biao4会议系统电及音频的性能要求 GB/T 15381-94


9会议系统电及音频的性能要求 GB/T 15381-94



图9 传声器典型频率响应允差范围

注:为了在一个特定系统内等同采用,应采用频率响应具有类似型式的传声器。

5.2.3 贴耳式耳机(见表2中c和d项)

性能要求和测量方法见表5,示意图见图10。

注:优先用并联连接的头戴耳机。

10会议系统电及音频的性能要求 GB/T 15381-94

图 10

表 5

biao5会议系统电及音频的性能要求 GB/T 15381-94

11会议系统电及音频的性能要求 GB/T 15381-94

图11 贴耳式耳机典型频率响应的允差范围

5.2.4 听诊式和耳挂式耳机(见表2中c项)

性能要求和测量方法见表6,示意图见图12。

12会议系统电及音频的性能要求 GB/T 15381-94

图 12

表 6

biao6会议系统电及音频的性能要求 GB/T 15381-94

13会议系统电及音频的性能要求 GB/T 15381-94
图13 听诊式和耳挂式耳机典型频率响应的允差范围

5.2.5 传输链路(见表2中的e和h项)

辅助设备输入链路(见表2中的i项)。

性能要求和测量方法见表7,示意图见图14、图15。

1415会议系统电及音频的性能要求 GB/T 15381-94

图 14 图15

表 7

biao7会议系统电及音频的性能要求 GB/T 15381-94

biao7续会议系统电及音频的性能要求 GB/T 15381-94

注:在提到正常工作状态时,应考虑到以下基准输出状态:在125Hz~12.5kHz频率范围内,150Ω输出负载的两端为1V。

第5.2.5.7条和第5.2.5.8条为辅助设备输入链路的附加要求。

16会议系统电及音频的性能要求 GB/T 15381-94

图16 传输链路典型频率响应的允差范围

5.2.6 传输链路(见表2中f和g项)

辅助设备输入链路(见表2中j项)。

性能要求和测量方法见表8,示意图见图17。

17会议系统电及音频的性能要求 GB/T 15381-94

图 17

表 8

biao8会议系统电及音频的性能要求 GB/T 15381-94

注:在提到正常工作状态时,应考虑到以下基准输出状态:在125Hz~12.5kHz频率范围内,一个150Ω输出负载的两端为1V。

第5.2.6.5条和第5.2.6.6条为辅助设备输入链路的附加要求。

18a会议系统电及音频的性能要求 GB/T 15381-94

图18a 传输链路典型频率响应的允差范围

(用于窄带的频率范围)

18b会议系统电及音频的性能要求 GB/T 15381-94

图18b 传输链路典型频率响应的允差范围

(用于宽带的频率范围)

注:不同的音频传输系统的频率范围,可选取窄带或宽带,上限频率愈高的系统一般能得到较好的清晰度。

5.2.7 辅助设备的输出链路(见表2中的k和1项)

性能要求和测量方法见表9,示意图见图19。

biao9会议系统电及音频的性能要求 GB/T 15381-94

图 19

表 9

biao9

20会议系统电及音频的性能要求 GB/T 15381-94

图20 辅助设备输出链路典型频率响应的允差范围

5.2.8 组合装置(见表3中的a~e、b~h、a~k和b~l项)

性能要求和测量方法见表10,示意图见图21。

21会议系统电及音频的性能要求 GB/T 15381-94

图 21

表 10

biao10会议系统电及音频的性能要求 GB/T 15381-94

biao10续会议系统电及音频的性能要求 GB/T 15381-94

22会议系统电及音频的性能要求 GB/T 15381-94

图22 5.2.8条规定的组合装置典型频率响应的允差范围

5.2.9 组合装置(见表3的a~f和b~g项)

性能要求和测量方法见表11,示意图见图23。

23会议系统电及音频的性能要求 GB/T 15381-94

图 23

表 11

biao11会议系统电及音频的性能要求 GB/T 15381-94

biao11续会议系统电及音频的性能要求 GB/T 15381-94

biao11续2会议系统电及音频的性能要求 GB/T 15381-94


在第5.2.9.3条及5.2.9.4条、5.2.9.6条、5.2.9.7条中所提到的频率范围只与图23中的代表和译音员以及图9中的性能要求有关,在第5.2.9.1条中所述的宽的频率范围,用于组合装置。

24a会议系统电及音频的性能要求 GB/T 15381-94

图24a 5.2.9条中所规定组合装置典型频率响应允差范围

(用于窄带的频率范围)

24b会议系统电及音频的性能要求 GB/T 15381-94


图24b 5.2.9条中所规定组合装置典型频率响应允差范围

(用于宽带的频率范围)

注:不同的音频传输系统的频率范围可选取窄带和宽带,上限频率越高的系统一般能得到较好的清晰度。


附 录 A

声压级比较尺度

(补充件)

25会议系统电及音频的性能要求 GB/T 15381-94

附加说明

本标准由全国电声学标准化技术委员会提出。

本标准由杭州无线电厂、广播电影电视部设计院共同起草。

本标准主要起草人李齐勋、骆学聪、许美良、梁亚峰、冯彪。


  因篇幅有限请到资料下载   下载完整文件。

  还可以了解更多关于会议室解决方案、产品和案例 等信息。

  还可以了解更多关于体育场馆解决方案、产品和案例 等信息。

  还可以了解更多关于剧场剧院解决方案、产品和案例 等信息。

还可以了解更多关于学校教育   解决方案、产品和案例   等信息。